ATOM31H Rubidium Atomic Clock
Main indicators
Features:
+5V low voltage power supply
UART serial communication
Compatible with SA.3x series pinout
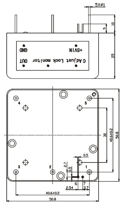
Mounting Dimensions
Pin Definitions
Main indicators
Features:
+5V low voltage power supply
UART serial communication
Compatible with SA.3x series pinout
| Test item | Technical indicators |
| Output frequency | 10MHz |
| Output level | 3.3 VTTL levels |
| Factory frequency accuracy (25°C) | ≤±5.0E-11 |
| Short-term stability | ≤5.0E-11/1s |
| ≤1.8E-11/10s | |
| ≤7.0E-12/100s | |
| ≤3.0E-12/1000s | |
| Phase noise (SSB) | ≤-95dBc/Hz @10Hz |
| ≤-125dBc/Hz @100Hz | |
| ≤-135dBc/Hz @1KHz | |
| ≤-140dBc/Hz @10KHz | |
| Frequency Temperature Characteristics | -5℃~+60℃≤8E-10< |
| +20℃~+40℃≤2E-10 | |
| Frequency drift | ≤5E-12/day |
| Steady state power consumption (25°C) | ≤6W @5V, max current 3.6A |
| Electricity supply | +5V±0.1V |
| Start-up characteristics | ≤7 minutes lockout (ambient temperature) |
| ≤15 minutes lockout (-5°C ambient) | |
| Reproducibility | ≤2E-11 |
| Frequency Adjustment Range | ≥±1.5E-9 (0V~5V) External level adjustment |
| Storage temperature range | -55℃~+85℃ |
| Overall Dimension(mm) | 50.8(±0.5)×50.8(±0.5)×25(±0.5) |
| Weights | ≤0.2kg |
| Environmental requirement | RoHS6 compliant |
Mounting Dimensions
Pin Definitions
| Pin number | Function Name | Descriptions |
| 1 | Frequency adjustment | For use in frequency adjustment, input 0V to 5V |
| 2 | Lock indication | 0V locked, 3V unlocked |
| 3 | 10MHz output | 10MHz Output |
| 4 | GND | Power Ground, Signal Ground |
| 5 | +5Vin | Power terminal positive |
| 6 | RXD | RXD terminal for LvTTL signal protocol communication |
| 7 | TXD | TXD terminal for LvTTL signal protocol communication |